蘇州澳創(chuàng)鋁業(yè)科技有限公司
地址:蘇州市吳江區(qū)七都鎮(zhèn)豐田村2組
電話:15000202150、13511610011
郵編:215234
E-mail:458249@qq.com
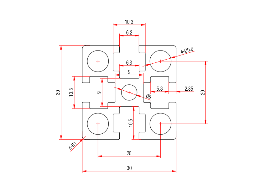
ACG-6-3030E
鋁型材ACG-6-3030E
材料∶鋁合金
Material Aluminum ( 6063-T5 )
型材米重Rice weight : 1.17kg/m
長度Length : 6.01m
聯(lián)系方式:13511610011
產品圖紙:

加工服務:

切割服務:
